
Le khasi Stm8s103f3p6 Ingabe i-microcontroller engu-8-bit eyenziwe ngama-stmicroelectonnics, edume ngokusebenza kwayo okuhlaba umxhwele nokuhlanganiswa komthungo.Le divayisi ehlangene ifakwe isitayela esibekwe phezulu (SMD) esiteshini esibekiwe, ukuhlanganisa umgogodla ophambili nowokunye okwenziwe ngokucophelela kusetshenziswa ubuchwepheshe obunqenqemeni.Ngokuvama kwewashi kwe-16 MHZ, i-STM8S103F3P6 inekhono lokuqina kwe-I / O, iqinisekisa ukucubungula idatha efanelekile nokusingathwa.Isikhathi sayo se-watchdog esizimele, sifakwe umthombo ozimele wewashi kanye nohlelo lokuphepha lwewashi, luqinisekisa ukusebenza kahle kwensiza kanye nokuqina ngokumelene nokuphazamiseka okungenzeka.
Enye yezinto zayo zokuma imemori yayo ye-flash, enikeza isitoreji esingaguquki sekhodi nedatha.Ngobubanzi be-voltage voltage epaning kusuka ku-2.95 v kuya ku-5.5 v, le microkolentothi iguquguqukayo kakhulu futhi ivumelana nezicelo ezinhlelweni ezahlukahlukene.Ngokwengeziwe, inikeza ububanzi bokushisa obubanzi bokushisa okungu-40 ° C kuya ku-85 ° C, okwenza kulungele ukuthunyelwa ezimweni ezahlukahlukene zezemvelo.
• I-MSP430G2353
• Pic16LF18444T


Ukusetshenziswa kwamandla okuphansi: Inezindlela ezahlukahlukene zokusetshenziswa kwamandla okuphansi ongakhetha kuzo, kufaka phakathi imodi engenamsebenzi, imodi yokulala, imodi yokulala ejulile kanye nemodi ye-Off, enganweba ngempumelelo impilo yebhethri futhi igcine amandla.
Ukusebenza okuphezulu: Ikwamukela ukwakhiwa kwezakhiwo eziphezulu ze-STM8, okuvumela imvamisa yokusebenza ukuthi ibe phezulu njenge-16MHZ, ethuthukisa kakhulu ijubane lokufundisa futhi linikeze amakhono okusebenza asebenza kahle kwezicelo zethu.
Izindawo eziningi zokuxhumana: Ixhasa izindawo zokuxhumana ezahlukahlukene kufaka phakathi i-SPI (isikhombimsebenzisi se-serial peripheral), i2c ne-uart.Ngalezi zinhlaka, kungaxhumana kalula futhi kuhlanganyele namadivayisi angaphandle ukuze kufinyelelwe eminye imisebenzi kanye nezinhlelo zokusebenza.
Ama-Perferals amaningi: I-MICM8S103F3P6 inezinsizakusebenza eziningi ze-peripheral, kufaka phakathi i-16KB yememori ye-flash ne-1KB ye-RAM Memory, kanye nezindawo ezisetshenziswa kaningi njengezikhonkwane ze-GPIO, ama-timers, kanye naart.Ukwehlukahluka kwalezi zinto ezenziwayo kwenza insiza ilungele izimo ezahlukahlukene zohlelo lokusebenza futhi ingahlangabezana nezidingo zezinkambu ezahlukahlukene kanye nezimboni.Noma ngabe kuwukulawulwa kwezimboni, ekhaya elihlakaniphile, noma amasistimu ashumekiwe, i-STM8S103F3P6 kunganikeza ukwesekwa.

I-STM8S103F3P6 ihlanganiswe ngephakethe elincane elincanyana le-Shrink (TSSOP) futhi linezikhonkwane ezingama-20.Umzimba kanye nokuhamba ngesikhala kuncane kunamaphakheji ajwayelekile we-SAIC.Isici esijwayelekile se-TSSOP ukwakheka kwezikhonkwane ezizungeze i-chip ehlanganisiwe, okwenza kube lula ukukhwela izintambo kuma-PCB usebenzisa ubuchwepheshe be-SMT.Lapho usebenzisa iphakethe le-TSSOP, amapharamitha apharaji (ukuphazamiseka kwamandla okukhipha okubangelwa izinguquko ezinkulu kumanje) zincane, ngakho-ke kufanelekile izinhlelo zokusebenza ezivame kakhulu.Lolu hlobo lwephakeji lukulule ukusebenza futhi lunokwethenjwa okuphezulu.
Iphakheji ye-TSSOP inezici ezilandelayo:
• Ukuhlukaniswa kwe-PIN amancane: Isikhala se-PIN ngokuvamile singu-0.5mm noma ngo-0.65mm.Ngokwakheka kwemigoqo ye-Circuit Bompter Board, amadivaysi amaningi angabekwa ebhodini lesekethe elinendawo efanayo nosayizi.
• Ububanzi obubanzi besicelo: Ingasetshenziswa kwizinkundla ezahlukahlukene zohlelo lokusebenza ezifana nama-mictocontroller, ama-DSP, ama-Chips Memory, kanye nama-Chips okuhambisa amandla.
• Isibalo se-PIN ephezulu: Inani lezikhonkwane ngokuvamile cishe zingama-20 kuye kwangama-64, ezingahlangabezana nezidingo ezithile zokuhlanganiswa kwe-chip.
• Usayizi omncane wephakheji: Uma uqhathanisa nohlaka olujwayelekile oluncane (ngakho) amaphakheji ajwayelekile, ubukhulu bawo wephakeji buncane, ubukhulu buncanyana, futhi ivolumu lincane, okwenza lilungele ukupakishwa kwemibuthano ehlanganisiwe ephezulu.
• Ukusebenza Okuphezulu: Ikwamukela ubuchwepheshe beNtaba indawo, inokuvuselelwa okuhle nokuphikiswa kokugqwala, futhi kungahlangabezana nezidingo ezikhethekile njengejubane eliphezulu, imvamisa ephezulu, okuncane, okuncane njalonjalo.
Ngaphandle kokuthi kuchazwe ngenye indlela, wonke amavolomitha adluliselwa ku-vss.
Amanani amancane futhi aphezulu aqinisekisiwe ngaphansi kwezimo ezingezinhle kakhulu, ahlanganisa izinga lokushisa elikhona, ahlinzeke ngamandla kagesi, kanye namafrikhwensi.Lezi ziqinisekiso zisungulwa ngokuhlolwa okukhiqizwayo okwenziwe kumadivayisi we-100%, aqhutshwa ekushiseni okukhona kwe-TA = 25 ° C kanye ne-tamax (njengoba kuchazwe ububanzi bezinga lokushisa obukhethiwe).
Amanani asuselwa kwimiphumela yokubonisa, ukuklama ukumbumbuluzwa, kanye / noma izici zezobuchwepheshe zichazwe embhalweni waphansi wetafula futhi azikaze zihlolwe ukukhiqiza.Ngokuphathelene nokuqhakaza, amanani aphansi futhi aphezulu aphathelene nokuhlolwa kwesampula futhi asayine inani elishoyo elinobubanzi be-plus noma minus kathathu ukuphambuka okujwayelekile (kusho ± 3σ).
Ngaphandle kokuthi kuchazwe ngenye indlela, imininingwane ejwayelekile isungulwe nge-TA = 25 ° C, vdd = 5 V. Lawa manani anikezwa kuphela njengezethenjwa design futhi azange ahlolwe.
Ukunemba okujwayelekile kwamanani we-ADC kusungulwa ngokusebenzisa isimo seqoqo lamasampula avela kunani elijwayelekile le-Extrate in the izinga lokushisa eliphelele.Kulesi simo, ama-95% amadivayisi abonisa iphutha ngaphakathi kwenani elicacisiwe (lisho ± 2σ.
Ngaphandle kokuthi kukhonjiswe ngokuqondile, wonke amagrafu ajwayelekile ahloselwe kuphela njengezikhombo design futhi awakaze ahlolwe.
Ukweqa izilinganiso ezibunjiwe ngokuphelele ezibunjiwe kungaholela ekulimaleni okungapheli kudivayisi.Lezi zilinganiso zikhombisa kuphela umkhawulo wengcindezi ukuthi idivaysi ingakhuthazela, futhi ayivezwa ukuthi idivaysi izosebenza kahle ngaphansi kwalezi zimo.Ukuchayeka ezimweni ezisezingeni eliphakeme noma eduze kwezilinganiso eziphezulu kungathinta kabi ukuthembeka kwedivayisi.
Iphrofayili Yesithunywa Sedivayisi, echaza izimo zayo zohlelo lokusebenza, inamathela kwi-Jedec 3JERES CRADAD ejwayelekile, ngamaphrofayili we-mission anwetshiwe atholakala ngesicelo.
Ukuze uzuze ukuqina koMlawuli Oyisisekelo, i-capacitor yangaphandle ebizwayo yenkomba kufanele ixhunywe kwi-PIN ye-VCap.Kubalulekile ukuqinisekisa ukuthi indlela yokuqongelelwa kwechungechunge ihlala ngaphansi kwe-15 NH.
Ukusetshenziswa kwamanje kukalwa njengoba kuboniswe esithombeni esilandelayo.

Ingqikithi yokusetshenziswa kwamanje kwimodi ye-Run
I-MCU ibekwa ngaphansi kwale mibandela elandelayo:
• Onke ama-Peripheral akhutshaziwe (iwashi limiswe ngamarejista we-peripheral Clock Gatisters) ngaphandle kokuthi kuchazwe ngokucacile.
• Zonke izikhonkwane ze-I / O kwimodi yokufaka enenani eli-tuli ku-VDD noma VSS (akukho umthwalo)
Ngokuya ngaphansi kwezimo zokusebenza okujwayelekile ze-VDD ne-TA.

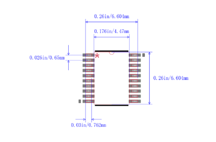
I-STM8S103F3P6 inezikhonkwane ezingama-20, amagama awo we-PIN kanye nemisebenzi imi ngalendlela elandelayo:
PIN1 (PD4 / Beep / Tim2_ CH1 / UART1 _CK): IPort D4
PIN2 (PD5 / AIN5 / UART1 _TX): IPort D5
I-PIN3 (PD6 / AIN6 / UART1 _RX): IPort D6
PIN4 (NRST): Setha kabusha
PIN5 (PA1 / OSCIN): Port A1
PIN6 (PA2 / OSCOUT): Port A2
IPIN7 (VSS): I-Digital Ground
PIN8 (VCap): 1.8 V Regator Capacitor
PIN9 (VDD): Ukuhlinzekwa kwamandla edijithali
IPIN10 (PA3 / Tim2_ CH3 [SPI_ NSS]): Port A3
I-PIN11 (PB5 / I2c_ SDA [TIM1_ BKIN]): Port B5
I-PIN12 (PB4 / I2c_ SCL): IPort B4
I-PIN13 (PC3 / Tim1_CH3 [TLI] [Tim1_ Ch1n]): IPort C3
I-PIN14 (PC4 / CLK_CCO / Tim1_ CH4 / AIN2 / [TH1_ CH2N]: IPort C4
I-PIN15 (PC5 / SPI_SCK [TH2_ CH1]): IPort C5
I-PIN16 (PC6 / SPI_MOSI [TH1_ CH1]): IPort C6
I-PIN17 (PC7 / SPI_MIISO [TH1_ CH2]): IPort C7
I-PIN18 (PD1 / Swim): IPort D1
I-PIN19 (PD2 / AIN3 / [TIM2_ CH3]): IPort D2
PIN20 (PD3 / Ain4 / Tim2_ CH2 / ADC_ ETR): IPort D3
Njengoba kukhonjisiwe kwisibalo esingenhla, i-STM8S103F3p6 Chip inezikhonkwane ezifika ku-16 I / O, ezingasetshenziselwa izinhloso ezahlukahlukene, njenge-PPIO, i-Pipio, njll.Kusetshenziswe njengezikhonkwane zokufaka ukufunda amasiginali angaphandle noma njengezikhonkwane zokukhipha ukuthumela amasiginali kumadivayisi angaphandle.Ngaphezu kwalokho, iphinikhodi ngayinye i / o ingabelwa ngokuzimela i-vector ephazamisayo ukwenza lula ukucubungula okunembekile kokuphazamiseka lapho kwenzeka.
• Izinhlelo ezenzakalelayo: Le microkolento ingahle isetshenziswe ezinhlelweni ezenzakalelayo njengamakhethini kagesi, izinhlelo zokulawula ukufinyelela, ukulawulwa kokushisa nokulawula ukukhanyisa.
• I-IOT (I-Intanethi Yezinto) Isicelo: Uma sidinga ukuthuthukisa amadivaysi e-IOT, singasetshenziswa njengesilawuli se-IOT NODES ukuxhuma nokulawula izinzwa ezihlukene namamojula wokuxhumana.
• Amadivayisi we-elektroniki uqobo: asetshenziswa kumakhamera edijithali, abadlali be-MP4 nabakwa-MP4, ama-elekthronikhi we-elekthronikhi, njll.
• Imishini kagesi: Isetshenziselwa ukuthuthukisa imishini ehlukahlukene ye-elekthronikhi
, njengamathoyizi kagesi, izilawuli ezikude, ama-mini wokubala, njll.
• Insimu Yezimboni: Isetshenziswa ku-PLC, abalawuli bezimboni, inqubo ezenzakalelayo kanye nokuthumela imishini yokulawula okuzenzakalelayo, njll.
• Ukutholwa kwedatha kanye nesibonisi senzwa: Kusetshenziselwa ukuqapha izimo zemvelo futhi kuqoqe idatha noma ukuxhuma izinzwa ezahlukahlukene ezifana nezinzwa ezikhanyayo, izinzwa zokushisa, nezinzwa zomswakama.
• Uhlelo lokulawula olushumekiwe
I-STM8S103F3P6 yi-microcontroller chip ethuthukiswe yi-stmicroelectonnics.Kungokomndeni we-STM8 we-8-bit microcontTrollers futhi kusetshenziswa kabanzi ezinhlelweni ezahlukahlukene ezishumekiwe kanye nezicelo ze-IOT.
I-STM8S103F3P6 Iyunithi ye-Microcontroller ine-640 bit Rom, iziteshi eziyi-10-bit 5-CHANNNENENS ADC, 1KB RAM futhi ngosayizi wememori ye-8KB.
Singangena esikhundleni se-STM8S103F3P6 nge-MSP430G2353, PIC16LF18444T, STM8S103F3fp3p3, STM8S103f3f3fr noma STM8S103f3pptr.
Yebo, i-STM8S103F3P6 yakhelwe ngezinto ezinamandla aphansi futhi ingasetshenziswa ezinhlelweni ezinamandla okusebenza ngebhethri noma eziphansi lapho ukusebenza kahle kwamandla kubalulekile khona.
Ezinye izici ezibalulekile ze-STM8S103f3p6 zifaka i-GPIO (i-General Inhloso Yokufaka / Ukukhishwa), i-UARTSTICT RELDICT / I-Transmitter) Ukuxhumana, i-SPI (Inter-Interial Peripheral Interface interface) ukuxhumana, isikhathi, nokuningi.
MAYELANA NATHI
Ukwaneliseka kwamakhasimende ngaso sonke isikhathi.Ukwethembana kanye nezintshisakalo ezivamile.
Ukucaciswa kobuchwepheshe kweLithium Coin Cell CR2354
2024-08-02
Umhlahlandlela ophelele we-Atmega328-PU MicrococTroller
2024-08-02
I-imeyili: I-Info@ariat-tech.comI-HK TEL: +852 30501966ENZA: Rm 2703 27F Ho King Comm Center 2-16,
UFa Yuen St MongKok Kowloon, eHong Kong.